설명
제품 속성
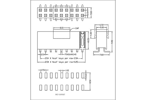
모델 번호: FHEM14-XXX 브랜드: ANTENKInterface 유형: D-SUB(VGA)하우징: PlasticPin: BrassPoles: 8-16응용 프로그램: Military AviationCertification: CEGender: FemaleMaterial: BrassSupport 카드 번호: All in OneOperating Frequency : 고주파 분류: 파인 피치 커넥터
공급 능력 및 추가 정보
포장: TRAY PACKING 및 TUBE PACKING생산성: 100KKPCS/Month운송: Ocean, Air, EXPRESS원산지: 중국공급 능력: 1Certificate: ISO{2}}HS 코드: 8536909000지불 유형: T/T,Paypal,Western UnionIncoterm:
포장 및 배송
판매 단위:
가방/가방
포장 종류:
TRAY PACKING 및 TUBE PACKING
제조사 : ANTENK ELECTRONICS.,CO LTD.
고품질, 경쟁가격, 빠른 납품, 빠른 응답. CE, Rohs, Reach 통과.
암 헤더는 커넥터 유형입니다. 전자, 전기 제품, 계량기 계측 등에 널리 사용되는 일종의 범용 연결 장치입니다.
암 커넥터는 수 커넥터를 삽입할 수 있는 잭으로 구성된 커넥터 유형입니다. 일반적으로 두 개 이상의 장치 간의 안전한 물리적 및 전기적 연결이 가능하도록 케이블 또는 기타 하드웨어의 끝에 존재합니다. 젠더 체인저라는 도구를 사용하여 수 커넥터를 암 커넥터로 또는 그 반대로 변환할 수 있습니다.

사양
현재 등급: 3.0 암페어
절연 저항: 최소 1000M 옴
접촉 저항: 최대 20M 옴
내유전체: AC500V
작동 온도: -65도 ~ 영하 125도
접점 재질: 황동
절연체 재질: PBT,UL 94V-0 검정
사양
현재 등급: 3.0 암페어
절연 저항: 최소 1000M 옴
접촉 저항: 최대 20M 옴
내유전체: AC500V
작동 온도: -65도 ~ 영하 125도
접점 재질: 황동
절연체 재질: PBT,UL 94V-0 검정
ANTENK 구성 요소는 이 프로그램 외에도 소위 "샌드위치 핀 헤더"를 사용하여 샌드위치 스타일의 PCB를 서로 연결할 수 있는 가능성을 제공합니다. 이 커넥터에는 두 개의 절연체 본체가 있으며(절연체의 위치는 요청에 따라 고정될 수 있음) 양쪽 접점 끝에서 PCB에 납땜됩니다. 암수 헤더는 직선 또는 직각 접점, SMT(표면 실장 기술) 또는 THT(통구멍 구멍 기술) 접점 스타일로 제공되며 다양한 접점 길이, 원형 또는 정사각형 접점을 사용합니다. ASSMANN WSW 구성요소는 "선반 프로그램"에 추가하여 특히 단기 설계를 위해 설치된 샘플 서비스를 제공하며 주문 수령 후 3-5일 이내에 배송됩니다. 다음 페이지는 남성 및 여성 헤더의 표준 제품 범위를 보여줍니다. 그 외에도 많은 특수 또는 사용자 정의 특정 헤더를 사용할 수 있거나 요청 시 생성할 수 있습니다.
사양
현재 등급: 3.0 암페어
절연 저항: 최소 1000M 옴
접촉 저항: 최대 20M 옴
내유전체: AC500V
작동 온도: -65도 ~ 영하 125도
접점 재질: 황동
절연체 재질: PBT,UL 94V-0 검정
사양
현재 등급: 3.0 암페어
절연 저항: 최소 1000M 옴
접촉 저항: 최대 20M 옴
내유전체: AC500V
작동 온도: -65도 ~ 영하 125도
접점 재질: 황동
절연체 재질: PBT,UL 94V-0 검정
사양
현재 등급: 3.0 암페어
절연 저항: 최소 1000M 옴
접촉 저항: 최대 20M 옴
내유전체: AC500V
작동 온도: -65도 ~ 영하 125도
접점 재질: 황동
절연체 재질: PBT,UL 94V-0 검정
Q: 당신의 MOQ는 무엇입니까?
A: 재고가 있는 제품이 있으면 MOQ가 아닙니다. 생산해야 하는 경우 고객의 정확한 상황에 따라 MOQ를 논의할 수 있습니다.
Q: 배달 시간은 얼마나 걸립니까?A: 일반적인 배송 시간은 주문 확인을 받은 후 30-45일입니다. Anther, 재고가 있는 상품은 1-2일만 소요됩니다. Q: 샘플을 제공합니까? 이거 공짜인가요?A: 표본이 낮은 가치인 경우에, 우리는 운임 수집을 가진 무료 표본을 제공할 것입니다. 그러나 일부 고가 샘플의 경우 샘플 전하를 수집해야 합니다.




문의 보내기
당신은 또한 좋아할지도 모릅니다









